Класс Месторождения:
Тип Месторождения: Газовое
Местоположение:
Местность:
Стадия разработки:
Год открытия: 1960
Источник информации:
Метод открытия:
Площадь: 11.62 км²
Задорненское газовое месторождение
Задорненское газовое месторождение расположено в 36 км к востоку от пос. Черноморское, вблизи пос. Задорное. Залежь приурочена к брахиантиклинальной складке субширотного простирания. В геологическом разрезе принимают участие отложения юры (?), мела и палеогена. Последние несогласно перекрыты образованиями неогенового возраста. Разрез палеогена сокращен до 510 м, а общая мощность вскрытого чехла в пределах площади достигает 4357 м.
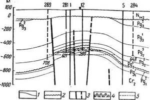
Задорненское поднятие является звеном Задорненской тектонической линии. Складка асимметрична в продольном и поперечном направлениях. Отмечается хорошее совпадение структурных планов по разрезу. Размеры поднятия по замыкающей изогипсе —560 м равны 4,5x1,4 км, а амплитуда ловушки 105 м. Складка осложнена серией продольных разрывов, основным из которых является южный взброс с амплитудой до 300 м. Центральная часть поднятия в сечении выглядит в виде горста, нарушенного мелкоамплитудными (до 50 м) сбросами (рис. 1,2).

Рис. 1. Задорненское газовое месторождение. Структурная карта по кровле нижнего палеоцена. Составил Ю. X. Овчаренко. 1 — изогипсы кровли продуктивного горизонта, м; 2 — положение контура газоносности; 3 — дизъюнктивные нарушения; 4 — разведочные и эксплуатационные скважины; 5 — структурнопоисковые скважины
Задорненская складка выявлена геологический съемкой в 1957 г., подтверждена сейсмическими и электроразведочными работами в 1958 г., а структурным бурением в 1959 г. Газовый выброс из скв. 302 (интервал 598—601 м) доказал перспективность отложений нижнего палеоцена. Промышленный приток газа в скв. 2 (1960 г.) достигал 52 тыс. м3/сутки.
Литологически коллекторы выражены органогенно-детритусовыми известняками мощностью 69—67 м, образующими массивный резервуар. Средняя открытая пористость 19,5%, а проницаемость по промысловым данным достигает 60,8—128 мд. Газонасыщение пород определено в 72,5%. Средняя эффективная мощность 46,1 м.
Продуктивный горизонт залегает на глубине 550—614 м. Газовая залежь неполнопластовая, она расчленена на два сектора с разным положением газоводяного раздела: центральный (отметка - 508 м) и южный (- 534 м). Высоты залежей равны 51 и 54 м соответственно, а этаж газоносности 77 м. Начальное пластовое давление на глубине 604 м (центральное поле) равнялось 57,6 бар, а температура 33° С. Абсолютный свободный дебит (до 560 тыс. м3/сутки) после соляно-кислотной обработки увеличивается в три раза.

Рис. 2. Геологический профиль (по линии I—I) через Задорненское месторождение.
1 — стратиграфические границы; 2 — поверхности размыва отложений; 3 — дизъюнктивные нарушения; 4 — газовая залежь; 5 — уровень структурного порога ловушки
Метановый газ месторождения не содержит гомологов тяжелее бутанов и заключает незначительное количество (порядка 0,3 см3/м3) светло-желтого конденсата с плотностью 836 кг/м3. Конденсат выкипает в интервале температур 155 - 260° С и относится к нафтеново-метановому типу с содержанием 7,7% аренов и 23% алканов.
Запасы газа по кат. А+В+С1 определяются в 880 млн. м3.
Верхнепалеоценовые глинистые известняки сильно сокращены по мощности (до 15 - 30 м) и образуют из-за трещиноватости единый массивный резервуар с основным горизонтом.
Водоносные пласты приурочены к отложениям мела, палеоцена и неогена. В скв. 3 дебит, при депрессии 10 бар, достигал 20 м3/сутки. Минерализация законтурной воды гидрокарбонатно-натриевого типа равна 24,9 г/дм3. Сульфатность ее невелика (rSO4*100/С1=0,05), но повышено содержание бора (до 450 мг/дм3) и йода (26 мг). Пластовый газ выносит на поверхность до 1 см3/м3 пресной (0,4 г/дм3) конденсационной воды гидрокарбонатно-натриевого состава. Статический уровень воды отбивается на глубине 35 м. После ввода месторождения в разработку (1968 г.) соблюдается газовый режим эксплуатации.
В скважинах 1 и 4 фиксировались слабые истечения газов нефтяной природы из трещинных коллекторов глинисто-мергельной толщи альбского возраста.
Источник: Геология СССР. Том VIII. Крым. Полезные ископаемые. М., «Недра», 1974. 208 с.
Следующее Месторождение: Западно-Октябрьское